|

|
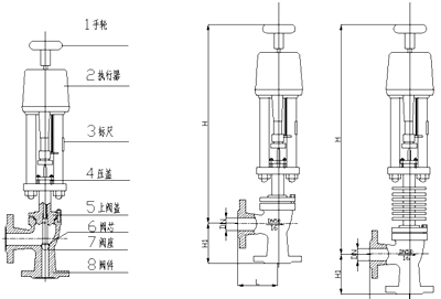
ZDSJ系列電子式直行程電動角型調節閥,配用德國進口PS系列直行程電動執行機構,實現對壓力、流量、溫度、液位等參數的調節。具有體積小、重量輕、泄漏量少、流路簡單、阻力小,使用于高壓差、高粘度、含有懸浮物和顆粒狀物質液體的調節,可以避免結焦,堵塞,也便于自潔和水清洗,角型閥一般使用于底進側出的場合,因為這樣可使調節有較好的穩定性。 |
一、閥體
|
二、上閥蓋
常 溫 型:-20℃-+200℃
散 熱 型:-40℃-+450℃
壓蓋形式:螺栓壓緊式
填 料:V型聚四氟乙烯填料、柔性石墨、不銹鋼波紋管
三、閥內組織
四、執行機構
類型:可選PS、3810、ZAZ型(DN100以內)、DKZ型(DN100以上)系列電子式直行程執行機構。
防爆型選用3810系列技術參數和性能:請參閱對應的執行機構與閥門定位器說明書。
五、ZDSJ型電動角型調節閥規格參數表
|
公稱通徑DN
|
20
|
25
|
32
|
40
|
50
|
65
|
80
|
100
|
125
|
150
|
200
|
250
|
300
|
|
閥座直徑dn(mm)
|
20
|
25
|
32
|
40
|
50
|
65
|
80
|
100
|
125
|
150
|
200
|
250
|
300
|
六、主要零件材料及推薦使用溫度范圍
|